
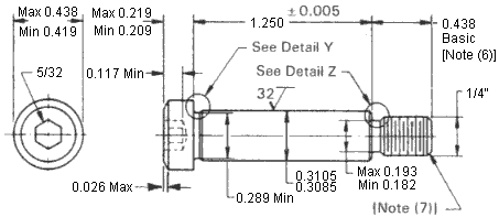
| Nominal Size or Basic Shoulder Diameter | Shoulder Diameter | Head Diameter | Head Height | Head Chamfer | Hex Socket Size | |||
| Max | Min | Max | Min | Max | Min | Max | Nom | |
| 5/16" (0.312) | 0.3105 | 0.3085 | 0.438 | 0.419 | 0.219 | 0.209 | 0.026 | 5/32 (0.156) |
| SEE NOTES | 1 | 2 | 15 | |||||
| Key Engagement | Shoulder Neck Diameter | Basic Thread Diameter | Thread Neck Diameter | Thread Length | Shoulder Length | |
| Min | Min | Max | Min | Basic | ||
| 0.117 | 0.289 | 1/4"-20 | 0.193 | 0.182 | 0.438 | 1-1/4 |
| SEE NOTES | 8 | 13 | 10 | 6 | ||
Reprinted from ASME/ANSI B18.3 by permission of The American Society of Mechanical Engineers. All rights reserved. For a full copy of the standards, contact the ASME at http://www.asme.org/codes/.