
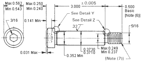
| Nominal Size or Basic Shoulder Diameter | Shoulder Diameter | Head Diameter | Head Height | Head Chamfer | Hex Socket Size | |||
| Max | Min | Max | Min | Max | Min | Max | Nom | |
| 3/8" (0.375) | 0.3730 | 0.3710 | 0.562 | 0.543 | 0.250 | 0.240 | 0.031 | 3/16 (0.188) |
| SEE NOTES | 1 | 2 | 15 | |||||
| Key Engagement | Shoulder Neck Diameter | Basic Thread Diameter | Thread Neck Diameter | Thread Length | Shoulder Length | |
| Min | Min | Max | Min | Basic | ||
| 0.141 | 0.352 | 5/16-18 | 0.249 | 0.237 | 0.500 | 3 |
| SEE NOTES | 8 | 13 | 10 | 6 | ||
Reprinted from ASME/ANSI B18.3 by permission of The American Society of Mechanical Engineers. All rights reserved. For a full copy of the standards, contact the ASME at http://www.asme.org/codes/.