
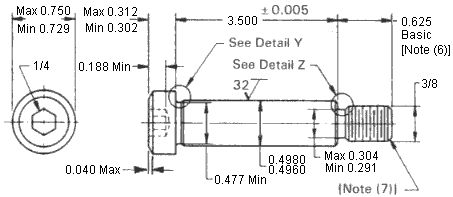
| Nominal Size or Basic Shoulder Diameter | Shoulder Diameter | Head Diameter | Head Height | Head Chamfer | Hex Socket Size | |||
| Max | Min | Max | Min | Max | Min | Max | Nom | |
| 1/2" (0.500) | 0.4980 | 0.4960 | 0.750 | 0.729 | 0.312 | 0.302 | 0.040 | 1/4 (0.250) |
| SEE NOTES | 1 | 2 | 15 | |||||
| Key Engagement | Shoulder Neck Diameter | Basic Thread Diameter | Thread Neck Diameter | Thread Length | Shoulder Length | |
| Min | Min | Max | Min | Basic | ||
| 0.188 | 0.477 | 3/8-16 | 0.304 | 0.291 | 0.625 | 3-1/2 |
| SEE NOTES | 8 | 13 | 10 | 6 | ||
Reprinted from ASME/ANSI B18.3 by permission of The American Society of Mechanical Engineers. All rights reserved. For a full copy of the standards, contact the ASME at http://www.asme.org/codes/.